| Попередня тема :: Наступна тема |
| Автор |
Повідомлення |
LEKS Авторитетище


Статус: Offline Зареєстрований: 15.04.2003 Повідомлення: 7163 Звідки: Боярка (пригород КИЕВА)
|
Додано: 19 Вересень 2009 20:29 Заголовок повідомлення: Направляющие и выжимные для двигателей ваз и таврия |
|
|
В этой теме все про привод сцепления для неродных двигателей.
_________________ 050-5254195 |
|
| Повернутися до початку |
|
 |
LEKS Авторитетище


Статус: Offline Зареєстрований: 15.04.2003 Повідомлення: 7163 Звідки: Боярка (пригород КИЕВА)
|
Додано: 19 Вересень 2009 21:23 Заголовок повідомлення: |
|
|
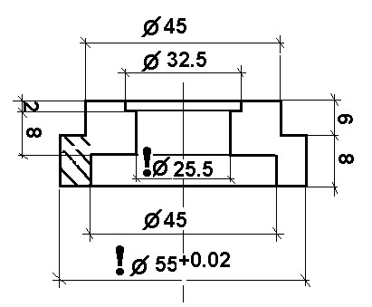
Начну со сцепления для двигателя от ваз-классики.
чертежик направляющей
https://zaz.kiev.ua/forum/gallery/photobase/00025/00025-1253376720-524.jpg
она состоит из двух частей (собственно направляющей втулки и фланца). втулка плотно вставляется в фланец и обваривается по стыку в не менее чем 6 точках (симметрично). следить, чтоб при сварке не образовывались наплывы внутри втулки, так как может не пройти первичный вал.
технология сборки. из картера сцепления извлекается родной сальник 968, в фланец запрессовывается сальник первичного вала 1102. затем фланец смазывается герметиком и запрессовывается в посадочное место сальника 968. посадка должна быть плотная, прессовать удобно подходящим куском трубы диаметром 45-50 мм.
_________________ 050-5254195
Останній раз редагувалося: LEKS (10 Червень 2010 14:33), всього редагувалося 1 раз |
|
| Повернутися до початку |
|
 |
LEKS Авторитетище


Статус: Offline Зареєстрований: 15.04.2003 Повідомлення: 7163 Звідки: Боярка (пригород КИЕВА)
|
Додано: 19 Вересень 2009 22:45 Заголовок повідомлення: |
|
|
идем дальше. чертеж деталей для выжимного подшипника
https://www.zaz.kiev.ua/forum/gallery/photobase/00025/00025-1276165337-623.jpg
слева изображен корпус выжимного подшипника (муфта) ваз 2101. черным цветом показан материал, кторый необходимо сточить. справа - промежуточная деталь (переходник).
технология сборки. аккуратно спрессовываем подшипник ваза с корпуса, затем обрабатываем корпус и вытачиваем переходник. далее запрессовываем обточеный корпус в переходник. из корпуса выжимного 968 выпрессовываем подшипник (размеры указаны для комбинированного подшипника 968). в него аккуратно (чтоб не лопнул чугунный корпус) запрессовываем собранный узел. в последнюю очередь запрессовываем на место подшипник ваза.
_________________ 050-5254195
Останній раз редагувалося: LEKS (10 Червень 2010 14:36), всього редагувалося 1 раз |
|
| Повернутися до початку |
|
 |
LEKS Авторитетище


Статус: Offline Зареєстрований: 15.04.2003 Повідомлення: 7163 Звідки: Боярка (пригород КИЕВА)
|
Додано: 19 Вересень 2009 23:52 Заголовок повідомлення: |
|
|
теперь направляющая для тавромотора и для двигателей ваз 2108, 21083, 2111, 2112 и тд
https://zaz.kiev.ua/forum/gallery/photobase/00025/00025-1276165378-655.jpg
она также состоит из двух частей, только отличается некоторыми размерами. втулка плотно вставляется в фланец и обваривается по стыку. следить, чтоб при сварке не образовывались наплывы внутри втулки.
технология сборки. из картера сцепления извлекается родной сальник 968, в фланец запрессовывается сальник первичного вала 1102. затем фланец смазывается герметиком и запрессовывается в посадочное место сальника 968. посадка должна быть плотная, прессовать удобно подходящим куском трубы диаметром 45-50 мм.
_________________ 050-5254195
Останній раз редагувалося: LEKS (10 Червень 2010 14:40), всього редагувалося 1 раз |
|
| Повернутися до початку |
|
 |
LEKS Авторитетище


Статус: Offline Зареєстрований: 15.04.2003 Повідомлення: 7163 Звідки: Боярка (пригород КИЕВА)
|
Додано: 20 Вересень 2009 00:16 Заголовок повідомлення: |
|
|
и наконец, деталь для выжимного под тавромотор и ваз 2108
https://zaz.kiev.ua/forum/gallery/photobase/00025/00025-1276165409-805.jpg
технология сборки. разбирается таврический выжимной подшипник (отгибаются усики и снимается крышка с подшипником). из выжимного 968 (комбинированного) выпрессовывается подшипник. в корпус выжимного 968 запрессовывается (аккуратно) проставка с чертежа. затем собранный узел одевается на направляющюю втулку, затем на направляющюю одевается основа от выжимного мемз 245 и приваривается к проставке по стыку основы с протавкой. детали свариваются на втулке для обеспечения центровки. затем устанавливается на место подшипник таврии (у крышки необходимо загнуть усики).
для двигателя ваз 2108 подходит выжимной от таврии, но можно использовать выжимной от 2108/2110, но в этом случае необходимо внести корректировки в чертеж проставки и направляющей втулки, а именно другой наружный диаметр втулки и внутренний проставки, а также, возможно, высота проставки.
_________________ 050-5254195
Останній раз редагувалося: LEKS (10 Червень 2010 14:42), всього редагувалося 1 раз |
|
| Повернутися до початку |
|
 |
LEKS Авторитетище


Статус: Offline Зареєстрований: 15.04.2003 Повідомлення: 7163 Звідки: Боярка (пригород КИЕВА)
|
Додано: 20 Вересень 2009 00:20 Заголовок повідомлення: |
|
|
вылка выжимного сохраняется родная, 968. но необходимо увеличить ширину посадочных мест выжимного, придав им слегка овальную форму, причем расширять преимущественно надо в сторону от оси вилки.
_________________ 050-5254195 |
|
| Повернутися до початку |
|
 |
LEKS Авторитетище


Статус: Offline Зареєстрований: 15.04.2003 Повідомлення: 7163 Звідки: Боярка (пригород КИЕВА)
|
Додано: 20 Вересень 2009 00:23 Заголовок повідомлення: |
|
|
все размеры указаны для переходных плит толщиной в пределах 16-20мм для ваз 2101 и 10-13 мм для тавромотора и ваз 2108
_________________ 050-5254195 |
|
| Повернутися до початку |
|
 |
Zaz 968 1975 НенАвиЖу RamzesА
Статус: Offline Зареєстрований: 02.06.2009 Повідомлення: 2424 Звідки: от туда Моє авто: Geely mk new comfort 2011 Пежо 301 1,6hdi
|
|
| Повернутися до початку |
|
 |
Lnalex

Статус: Offline Зареєстрований: 21.04.2005 Повідомлення: 795 Звідки: Николаев Моє авто: Camry SXV10
|
Додано: 03 Жовтень 2009 17:35 Заголовок повідомлення: |
|
|
Интересно а под родной двигатель если направляющую замутить. Можношь и корзину повеселей поставить. А?
|
|
| Повернутися до початку |
|
 |
LEKS Авторитетище


Статус: Offline Зареєстрований: 15.04.2003 Повідомлення: 7163 Звідки: Боярка (пригород КИЕВА)
|
Додано: 03 Жовтень 2009 19:21 Заголовок повідомлення: |
|
|
можно, но только точить тоненькую трубочку из цельной железяки - это неэффективно и дорого. гораздо проще выточить направляйку из подходящей трубки. и приварить к корпусу.
_________________ 050-5254195 |
|
| Повернутися до початку |
|
 |
Алексей_К
Статус: Offline Зареєстрований: 20.07.2007 Повідомлення: 41 Звідки: побережье Азовского моря, г. Мариуполь
|
Додано: 05 Жовтень 2009 12:38 Заголовок повідомлення: |
|
|
| LEKS писав(ла): |
| все размеры указаны для переходных плит толщиной в пределах 16-20мм для ваз 2101 и 10-13 мм для тавромотора и ваз 2108 |
а если у меня плита переходная под 2101 мотор толщиной 26 мм, значит стоит добавить к переходной шайбе выжимного 6мм в толщину!?
|
|
| Повернутися до початку |
|
 |
LEKS Авторитетище


Статус: Offline Зареєстрований: 15.04.2003 Повідомлення: 7163 Звідки: Боярка (пригород КИЕВА)
|
Додано: 05 Жовтень 2009 21:49 Заголовок повідомлення: |
|
|
| Алексей_К писав(ла): |
| LEKS писав(ла): |
| все размеры указаны для переходных плит толщиной в пределах 16-20мм для ваз 2101 и 10-13 мм для тавромотора и ваз 2108 |
а если у меня плита переходная под 2101 мотор толщиной 26 мм, значит стоит добавить к переходной шайбе выжимного 6мм в толщину!? |
лично я бы отнес плиту к фрезеровщику и попросил ободрать ее до толщины 18-20мм. откуда такой размер - 26мм?
_________________ 050-5254195 |
|
| Повернутися до початку |
|
 |
Алексей_К
Статус: Offline Зареєстрований: 20.07.2007 Повідомлення: 41 Звідки: побережье Азовского моря, г. Мариуполь
|
Додано: 06 Жовтень 2009 00:49 Заголовок повідомлення: |
|
|
| LEKS писав(ла): |
| Алексей_К писав(ла): |
| LEKS писав(ла): |
| все размеры указаны для переходных плит толщиной в пределах 16-20мм для ваз 2101 и 10-13 мм для тавромотора и ваз 2108 |
а если у меня плита переходная под 2101 мотор толщиной 26 мм, значит стоит добавить к переходной шайбе выжимного 6мм в толщину!? |
лично я бы отнес плиту к фрезеровщику и попросил ободрать ее до толщины 18-20мм. откуда такой размер - 26мм? |
Вот её фото, продает MAXX

|
|
| Повернутися до початку |
|
 |
LEKS Авторитетище


Статус: Offline Зареєстрований: 15.04.2003 Повідомлення: 7163 Звідки: Боярка (пригород КИЕВА)
|
Додано: 06 Жовтень 2009 20:23 Заголовок повідомлення: |
|
|
если коробка садится в ту кольцевую выборку, что я вижу на фото, то ее глубину надо отнять от общей толщины. сколько она в глубину?
_________________ 050-5254195 |
|
| Повернутися до початку |
|
 |
DRINO

Статус: Offline Зареєстрований: 14.09.2009 Повідомлення: 19
|
Додано: 06 Жовтень 2009 23:15 Заголовок повідомлення: |
|
|
Лучше оставить толщину 22мм ,тогда не придеться подрезать ребра жесткости внутри кожуха коробки. По поводу всяких направляек, так у меня ничего этого нет и все работает. К жигулевской корзине закрепил зазовский подпятник (смотрим москвичевскую корзину и творим по тому же принципу) ,при этом родной выжимной стоит на своем месте. Можно приварить подпятник к паучку но это не надолго ,его обязательно оборвет. Проверено горьким опытом.
|
|
| Повернутися до початку |
|
 |
Алексей_К
Статус: Offline Зареєстрований: 20.07.2007 Повідомлення: 41 Звідки: побережье Азовского моря, г. Мариуполь
|
Додано: 07 Жовтень 2009 13:26 Заголовок повідомлення: |
|
|
Ребята, спасибо большое за советы, плиту я оставил без изменений, только шпильки вкрутил т.к. метал мягкий.
Выжимной и направляющую еще вчера заказал у токаря и купил сальник 1102, сегодня вечером если получится буду устанавливать, единственное выжимной на 6 мм толще будет чем на чертеже!
Сальник запресовывать изнутри коробки и НАСКОЛЬКО глубоко?
|
|
| Повернутися до початку |
|
 |
Zaz 968 1975 НенАвиЖу RamzesА
Статус: Offline Зареєстрований: 02.06.2009 Повідомлення: 2424 Звідки: от туда Моє авто: Geely mk new comfort 2011 Пежо 301 1,6hdi
|
Додано: 07 Жовтень 2009 19:49 Заголовок повідомлення: |
|
|
я запресовывал как вошол полностью, так и оставил, я немного подругому сделал направляйку, по чертежу лекса, но ещё мне вытачивали шайбу, в галерее вотки есть направляйки,мне её приваривали, просверлил шайбу, просверлил в каробке и закрепил направляйку, если её запресовать её через две-три недели вытащит, у меня вытянуло её. так что её нужно закрепить, чтобы её не вытянуло
|
|
| Повернутися до початку |
|
 |
LEKS Авторитетище


Статус: Offline Зареєстрований: 15.04.2003 Повідомлення: 7163 Звідки: Боярка (пригород КИЕВА)
|
Додано: 07 Жовтень 2009 20:50 Заголовок повідомлення: |
|
|
| Zaz 968 1975 писав(ла): |
| я запресовывал как вошол полностью, так и оставил, я немного подругому сделал направляйку, по чертежу лекса, но ещё мне вытачивали шайбу, в галерее вотки есть направляйки,мне её приваривали, просверлил шайбу, просверлил в каробке и закрепил направляйку, если её запресовать её через две-три недели вытащит, у меня вытянуло её. так что её нужно закрепить, чтобы её не вытянуло |
ты ее не запрессовал, а вставил просто. если б правильный размер был бы, то не вылезла бы никогда. плюс надо обмазать герметиком. такую направляйку еще потом попробуй выбить.
2 алексей. сальник вставляется в направляющую сразу, а потом все вместе вставляется в коробку
_________________ 050-5254195 |
|
| Повернутися до початку |
|
 |
LEKS Авторитетище


Статус: Offline Зареєстрований: 15.04.2003 Повідомлення: 7163 Звідки: Боярка (пригород КИЕВА)
|
Додано: 07 Жовтень 2009 20:56 Заголовок повідомлення: |
|
|
| Алексей_К писав(ла): |
| Выжимной и направляющую еще вчера заказал у токаря и купил сальник 1102, сегодня вечером если получится буду устанавливать, единственное выжимной на 6 мм толще будет чем на чертеже! |
ты торопишься! это плохо! я ж у тебя спросил, сколько проточка на плите в глубину. если 5-6мм, то не надо было увеличивать толщину выжимного
_________________ 050-5254195 |
|
| Повернутися до початку |
|
 |
Алексей_К
Статус: Offline Зареєстрований: 20.07.2007 Повідомлення: 41 Звідки: побережье Азовского моря, г. Мариуполь
|
Додано: 08 Жовтень 2009 10:27 Заголовок повідомлення: |
|
|
Leks, все выточили, сделали, 26 мм это толщина плиты без центровочного буртика.
Все отлично подошло
Комплект сцепления жтгулевского брал новый! Сцепление выжимает полностью, но скоростя очень туго включить и если включаются то машина серьезно едет вперед!
|
|
| Повернутися до початку |
|
 |
|